Πιάσιμο Universal για Mini Μανελάκι 90°
Κωδικός: QH901010.08L
ΠΡΟΜΗΘΕΥΤΗΣ: ZCC CT
Τιμές χωρίς ΦΠΑ 24%
Το Πιάσιμο Universal για Mini Μανελάκι 90° είναι σχεδιασμένο για καθολική χρήση, προσφέροντας ευελιξία και ακρίβεια σε διάφορες εφαρμογές μηχανουργικής κατεργασίας. Περιλαμβάνει μανίκι μείωσης για προσαρμογή σε διαφορετικές διαμέτρους εργαλείων.
Χαρακτηριστικά
- Γωνία 90°: Κατάλληλο για εργασίες σε κάθετες και οριζόντιες επιφάνειες.
- Universal Design: Εξασφαλίζει συμβατότητα με διαφορετικούς τύπους mini μανελακιών.
- Μανίκι Μείωσης: Επιτρέπει τη χρήση εργαλείων με ποικίλες διαμέτρους.
- Ανθεκτική Κατασκευή: Από υλικά υψηλής ποιότητας για αντοχή και σταθερότητα.
- Εύκολη Χρήση: Γρήγορη και ασφαλής αλλαγή εργαλείων.
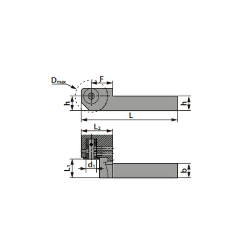
Επεξήγηση διαστάσεων: b / D1 - L or R (Αριστερά ή Δεξιά)
Για αναλυτικές πληροφορίες και συνθήκες κοπής, κατεβάστε το PDF αρχείο εδώ.







