Κονδύλια καρβιδίου ραδίου δίπτερα 2F, 5565R302GF
Κωδικός: 5565R302GF-0300 KMG303
ΠΡΟΜΗΘΕΥΤΗΣ: ZCC CT
Τιμές χωρίς ΦΠΑ 24%
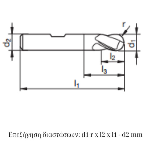
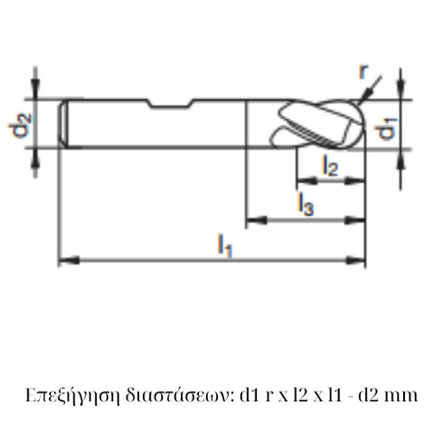
Τα κονδύλια καρβιδίου 5565R302GF είναι δίπτερα εργαλεία (2F) με σφαιρικό ράδιο (ball nose), επικαλυμμένα και με κυλινδρικό στέλεχος. Αυτά τα εργαλεία είναι εξαιρετικά κατάλληλα για την επεξεργασία χάλυβα, ανοξείδωτου ατσαλιού και μαντεμιού, προσφέροντας υψηλή απόδοση και μεγάλη διάρκεια ζωής. Η επικάλυψη που διαθέτουν ενισχύει την ανθεκτικότητα του εργαλείου, προσφέροντας άριστα αποτελέσματα σε απαιτητικές συνθήκες.
Χαρακτηριστικά:
✔ Υλικό: Καρβίδιο
✔ Δίπτερα εργαλεία (2F) για ομαλή κοπή και υψηλή ακρίβεια
✔ Σφαιρικό ράδιο (Ball Nose) για επεξεργασία σύνθετων επιφανειών
✔ Επικαλυμμένο για αυξημένη αντοχή και μεγαλύτερη διάρκεια ζωής
✔ Πολύ κατάλληλο για χάλυβα, ανοξείδωτο ατσάλι και μαντέμι
Κατηγορίες Υλικών:
- Χάλυβας: Ιδανικό για κοπή και φινίρισμα
- Ανοξείδωτο Ατσάλι: Υψηλή απόδοση και ανθεκτικότητα
- Μαντέμι: Εξαιρετική κατεργασία και ακριβή αποτελέσματα
Επεξήγηση διαστάσεων: d1 x l2 x l1 - d2 mm
Για αναλυτικές πληροφορίες, συνθήκες κοπής και τεχνικές προδιαγραφές, κατεβάστε το PDF αρχείο εδώ.









