Κονδύλι καρβιδίου 3F/4F/5F ξεχονδρίσματος, 5602R30..GR
Κωδικός: 5602R303GR-0600
ΠΡΟΜΗΘΕΥΤΗΣ: STOCK
Τιμές χωρίς ΦΠΑ 24%
Τα κονδύλια ξεχονδρίσματος καρβιδίου 5602R30..GR είναι επικαλυμμένα και διαθέτουν στέλεχος Weldon για εύκολη και ασφαλή χρήση. Είναι κατάλληλα για τη διαδικασία του ξεχονδρίσματος σε χάλυβα, ανοξείδωτο ατσάλι και μαντέμι. Το ειδικό τους σχέδιο επιτρέπει την εξαιρετική αφαίρεση υλικού και την αποδοτική επεξεργασία, ενώ η επικάλυψη ενισχύει τη διάρκεια ζωής του εργαλείου.
Χαρακτηριστικά:
✔ Υλικό: Καρβίδιο
✔ Επικαλυμμένο για αυξημένη ανθεκτικότητα
✔ Διαθέτει στέλεχος Weldon για ευκολία στη χρήση
✔ Ιδανικό για ξεχονδρίσμα σε χάλυβα, ανοξείδωτο ατσάλι και μαντέμι
✔ Εξαιρετική αφαίρεση υλικού με αποδοτική επεξεργασία
Κατηγορίες Υλικών:
- Χάλυβας: Ιδανικό για ξεχονδρίσμα και αφαίρεση μεγάλων όγκων υλικού
- Ανοξείδωτο Ατσάλι: Υψηλή απόδοση και ανθεκτικότητα κατά τη διάρκεια του ξεχονδρίσματος
- Μαντέμι: Αξιόπιστο για ξεχονδρίσματος και κατεργασία δύσκολων υλικών
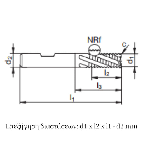
Επεξήγηση διαστάσεων: d1 x l2 x l1 - d2 mm (αρ.πτερών F)
Για αναλυτικές πληροφορίες, συνθήκες κοπής και τεχνικές προδιαγραφές, κατεβάστε το PDF αρχείο εδώ.









