Τρυπάνι καρβιδίου 4xD με ψύξη, 71995
Κωδικός: ST-71995-04
ΠΡΟΜΗΘΕΥΤΗΣ: STOCK
Τιμές χωρίς ΦΠΑ 24%
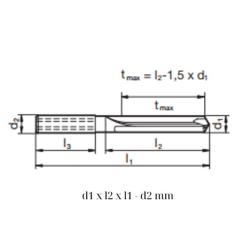
Το τρυπάνι καρβιδίου 4xD 71995 είναι ειδικά σχεδιασμένο για διάτρηση υψηλής ακρίβειας με παροχή ψυκτικού υγρού. Διαθέτει κυλινδρικό στέλεχος και προηγμένη γεωμετρία, εξασφαλίζοντας εξαιρετική ποιότητα οπών με στενές ανοχές διαμέτρου. Ο ανακουφισμένος κώνος συμβάλλει στη σταθερότητα κατά την κοπή, ενώ η σωστή πίεση ψυκτικού είναι απαραίτητη για τη βέλτιστη απόδοση. Ιδανικό για αλουμίνιο και κράματα αλουμινίου με υψηλή περιεκτικότητα σε πυρίτιο (Si).
Χαρακτηριστικά Προϊόντος:
• Τύπος: Τρυπάνι καρβιδίου 4xD με ψύξη.
• Σχεδίαση: Βελτιστοποιημένη γεωμετρία κοπής.
• Στέλεχος: Κυλινδρικό.
• Τεχνολογία: Ανακουφισμένος κώνος για μεγαλύτερη σταθερότητα.
• Διαμέτρικές Ανοχές: Στενές για ακριβείς διατρήσεις.
• Ποιότητα Οπών: Εξαιρετική επιφάνεια.
• Υλικά Εφαρμογής:
- Αλουμίνιο και κράματα αλουμινίου.
- Υλικά αλουμινίου με υψηλή περιεκτικότητα σε Si.
Επεξήγηση διαστάσεων: d1 x l2 x l1 - d2 mm
Για αναλυτικές πληροφορίες και συνθήκες κοπής, κατεβάστε το PDF αρχείο εδώ.









