Τρυπάνι καρβιδίου 12xD με ψύξη, 51893
Κωδικός:
ΠΡΟΜΗΘΕΥΤΗΣ: STOCK
Τιμές χωρίς ΦΠΑ 24%
Το τρυπάνι καρβιδίου 12xD 51893 είναι ένα υψηλής απόδοσης εργαλείο διάτρησης με παροχή ψυκτικού υγρού, σχεδιασμένο για βαθιά κατεργασία με ακρίβεια. Διαθέτει επικάλυψη στην ακμή κοπής, βελτιστοποιημένη γεωμετρία κοπής και διπλή οδήγηση, εξασφαλίζοντας βελτιωμένη σταθερότητα, υψηλή αντοχή στη φθορά και άριστη ποιότητα οπής.
Χαρακτηριστικά Προϊόντος:
• Τύπος: Τρυπάνι καρβιδίου 12xD με ψύξη.
• Στέλεχος: Κυλινδρικό.
• Βάθος Διάτρησης: Έως 12xD.
• Επίστρωση: Επικάλυψη στην αιχμή κοπής για αυξημένη απόδοση και διάρκεια ζωής.
• Ιδιότητες:
- Web thinning ≥ Ø 3.000 για μειωμένη αντίσταση κοπής.
- Facet point grind για ακριβή έναρξη διάτρησης.
- Ευθεία κύρια ακμή κοπής για καθαρότερες οπές.
- Διπλή οδήγηση για αυξημένη σταθερότητα και ακρίβεια.
-
Βελτιστοποιημένη γεωμετρία κοπής για ομαλή απομάκρυνση γρεζιών.
• Εφαρμογές: - Κατεργασία δομικών και βαμμένων χαλύβων, ελεύθερης κοπής και κατεργάσιμων χαλύβων.
- Ιδανικό για χάλυβες (κραματωμένους/μη κραματωμένους) έως 1200 N/mm².
- Κατάλληλο για μαντέμι, μπρούντζο, ορείχαλκο και κράματα AlSi υψηλής περιεκτικότητας σε πυρίτιο.
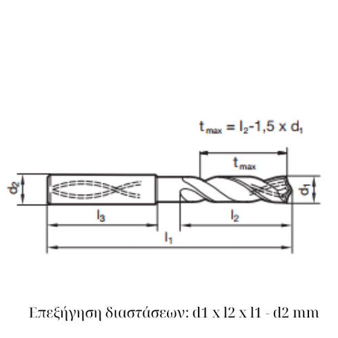
Επεξήγηση διαστάσεων: d1 x l2 x l1 - d2 mm
Για αναλυτικές πληροφορίες και συνθήκες κοπής, κατεβάστε το PDF αρχείο εδώ.









