Κονδύλια καρβιδίου ραδίου δίπτερα 2F, 64542
Κωδικός: ST-64542-02
ΠΡΟΜΗΘΕΥΤΗΣ: STOCK
Τιμές χωρίς ΦΠΑ 24%
Τα κονδύλια καρβιδίου 64542 είναι δίπτερα εργαλεία (2F) με σφαιρικό ράδιο (ball nose), επικαλυμμένα και με weldon στέλεχος. Διαθέτουν κεντρική κοπή (centre cutting) για ακριβή αποτελέσματα και είναι εξαιρετικά κατάλληλα για την επεξεργασία χάλυβα, ανοξείδωτου ατσαλιού και μαντεμιού. Το ειδικό σχήμα ball nose τα καθιστά ιδανικά για τη δημιουργία πολύπλοκων επιφανειών και κοπών, ενώ η επικάλυψη ενισχύει τη διάρκεια ζωής του εργαλείου.
Χαρακτηριστικά:
✔ Υλικό: Καρβίδιο
✔ Δίπτερα εργαλεία (2F) για ομαλή κοπή και ακρίβεια
✔ Σφαιρικό ράδιο (Ball Nose) για επεξεργασία σύνθετων επιφανειών
✔ Κεντρική κοπή (Centre Cutting) για ακριβή αποτελέσματα
✔ Επικαλυμμένο για αυξημένη ανθεκτικότητα και μεγαλύτερη διάρκεια ζωής
✔ Με Weldon στέλεχος για ευκολία στη χρήση
✔ Πολύ κατάλληλο για χάλυβα, ανοξείδωτο ατσάλι και μαντέμι
Κατηγορίες Υλικών:
- Χάλυβας: Ιδανικό για κοπή και φινίρισμα
- Ανοξείδωτο Ατσάλι: Υψηλή απόδοση και ανθεκτικότητα
- Μαντέμι: Εξαιρετική κατεργασία και ακριβή αποτελέσματα
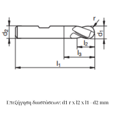
Επεξήγηση διαστάσεων: d1 x l2 x l1 - d2 mm
Για αναλυτικές πληροφορίες, συνθήκες κοπής και τεχνικές προδιαγραφές, κατεβάστε το PDF αρχείο εδώ.









